Besonderheiten der Bewehrungsführung bei Rahmenecken
Inhalt:
Konstruktion einer Rahmenecke mit positivem Biegemoment (innen Zug)
Konstruktion von Rahmenecken in unverschieblichen Skelettbauten
Wird eine Rahmenecke durch negative Momente beansprucht, so bleibt die ausspringende Ecke spannungslos. Die Zugbewehrung sollte daher in diesen Fällen mit großem Biegerollendurchmesser dbr gebogen werden. Hierdurch werden auch die Spannungen zwischen Beton und Stahl sowie die Querzugspannungen vermindert. An der inneren Ecke wird die erforderliche Umlenkung (Þ Umlenkkräfte) der Biegedruckkraft durch kleine Schrägen erleichtert.
Besonders wichtig ist das ordnungsgemäße Verdichten des Betons in der Rahmenecke. Fehlstellen im Beton führen zu größerem Schlupf in der Bewehrung und zu einem Versagen unterhalb der rechnerischen Bruchlast. In der folgenden Abbildung sind die in Kordina ("Bewehrungsführung in Rahmenecken und Rahmenknoten") mitgeteilten Grundsätze der Bewehrungsführung wiedergegeben. Für den Biegerollendurchmesser gelten die Angaben für Rahmen in DIN 1045 (dbr ³ 15ds bzw. dbr ³ 20ds bei BST 500 S). Nach Leonhardt ("Das Bewehren von Stahlbetontragwerken") soll die Betondeckung rechtwinklig zur Krümmungsebene den Wert c = 3ds nicht unterschreiten.
Rahmenecke mit negativem Biegemoment (außen Zug):

Ein Stoß der Bewehrung in der Rahmenecke sollte möglichst vermieden werden, weil durch Konzentration der Bewehrung das einwandfreie Verdichten des Betons erschwert wird und der Einbau der zur Aufnahme der Querzugspannungen erforderlichen Querbewehrung zusätzliche Schwierigkeiten bereitet. In DIN 1045, Abschnitt 18.9 findet man hierzu weitere Angaben.
Wesentlich schwieriger ist die Konstruktion einer durch positive Momente beanspruchten Rahmenecke. Hierzu müssen die Zugkräfte an der inneren einspringenden Ecke umgeleitet werden.
Kordina ("Bewehrungsführung in Rahmenecken und Rahmenknoten") hat darauf aufmerksam gemacht, dass die früher gebräuchlichen Bewehrungsformen in Form von Schlaufen oder als Vollstoß im Versuch weit unterhalb der rechnerischen Bruchlast versagen. Die folgende Zeichnung enthält hierzu einige charakteristische Beispiele. Als Ursache für das frühzeitige Versagen wurde erkannt, dass beispielsweise bei den Lösungen A und B die Hauptzugrichtungen auch nicht mehr annähernd mit der Richtung der Zugbewehrung im Rahmenbereich übereinstimmt. Bei Anordnung einer zusätzlichen Schrägbewehrung As in Hauptzugrichtung werden die rechnerischen Bruchschnittgrößen gut erreicht (Lösung C).
Rahmenecke unter Wirkung eines positiven Biegemomentes
Trajektorienverlauf und Tragfähigkeit bei verschiedenen Bewehrungsformen:


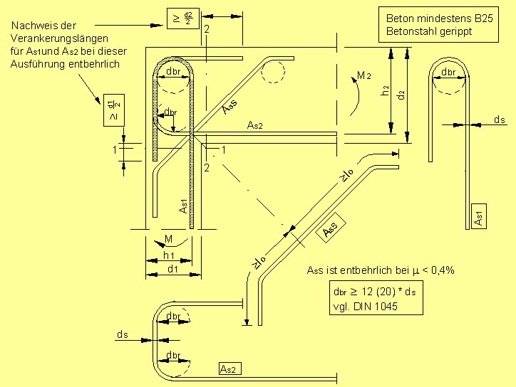
Die Bestimmung über die Bewehrung von Rahmenecken mit positivem Biegemoment in DIN 1045, 18.9.3 sind weitgehend den Angaben von Kordina ("Bewehrungsführung in Rahmenecken und Rahmenknoten") angepasst. Die wichtigsten Konstruktionsregeln sind in der nächsten Abbildung zusammengefasst. Besonders wichtig ist, dass die in Form von zwei Schlaufen mit großem Biegerollendurchmesser dbr zu biegende Zugbewehrung die Druckzone (außen!!) voll umschließt. Wenn auf diese Umschließung verzichtet wird (oder immer bei dicken Bauteilen mit d > 100cm), sind die Umlenkkräfte voll durch Bügel abzudecken.
Konstruktion einer Rahmenecke mit positivem Biegemoment (innen Zug):


Konstruktion von Rahmenecken in unverschieblichen Skelettbauten:


In den bei Kordina ("Bewehrungsführung in Rahmenecken und Rahmenknoten") angeführten Versuchen hat sich gezeigt, dass auf eine Schrägbewehrung AsS dann verzichtet werden kann, wenn zur Abdeckung des positiven Momentes M in den Bemessungsschnitten 1 - 1 und 2 - 2 ein sehr geringer Bewehrungssatz m erforderlich ist. Maßgebend ist der größere der beiden Werte m1 = As1/b * h1 oder m2 = As2/b * h2. Dabei sind As1 und As2 die erforderlichen Zugbewehrungen, da ja die Größe der umzuleitenden Zugkraft nicht von der Größe der eingelegten Bewehrung abhängig sein kann. Damit gilt:
m < 0,4% Þ Schrägbewehrung AsS ist entbehrlich.
m ³ 0,4%, £ 1,0% Þ AsS ³ As/2 (As ist der größere Wert Þ As1 oder As2)
m > 1,0% Þ AsS ³ As (As ist der größere Wert Þ As1 oder As2)
Die Rahmenstützen werden i. allg. symmetrisch bewehrt (As1 = As2). Bei verschieblichen Rahmen ist dann im Regelfall das größte negative Moment für die einzulegende Bewehrung maßgebend. Aus der letzten Zeichnung ist ersichtlich, dass im Punkt A bei Anordnung von Schrägstäben AsS jeweils 3 Bewehrungsstäbe zur Abdeckung des positiven Momentes M erforderlich sind (As1, As2, AsS). Bewehrungssätze m > 1,0% sind daher im Querschnitt kaum unterzubringen.
In unverschieblichen Rahmenknoten wechselt das Vorzeichen des Stützmomentes innerhalb des Rahmenriegels. Kordina ("Bewehrungsführung in Rahmenecken und Rahmenknoten") hat berichtet, dass bei Rahmen dieser Art durch die auf kurzen Strecken erforderliche Umleitung der Biegedruckkraft eine Bruchgefahr weit unterhalb der rechnerischen Bruchlast besteht. Bei üblichen Betonabmessungen ergeben sich wegen der großen Riegelsteifigkeit (Plattenbalken!!) bei unverschieblichen Bauwerken meist nur geringe Randeinspannmomente. In diesen Fällen wird die Anordnung einer Schrägbewehrung für nicht erforderlich erachtet.